
在什么情況下選擇超聲波探傷儀?(案例分析)
在什么情況下選擇超聲波探傷儀?(案例分析)
1. 選型背景
背景:野外 / 室外探傷
工況:以焊縫探傷為主,主要考慮板的對接焊、搭接焊、角焊;表面通常有漆、不光滑;板厚多在 25mm 以下;多為裝配件,即,已裝配完畢、不拆卸探測、可能只能單面探測。
難以使用渦流法:表面有漆、銹漬,不光滑、有毛刺;
難以使用射線法:需考慮防護設備、洗片設備、無法當時判斷;(工業 CT 除外)
難以使用磁粉法:焊縫余高無打磨、深度裂紋無法探測、
可能有非導磁件(比如鋁合金件);
難以使用滲透法:未開口到表面的缺陷無法探測。
2. 解決方案
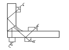
綜合以上情況,推薦使用超聲波探傷儀。對各種工況的探傷參照如下兩圖(典型圖、僅供參考):

圖 1 ,對接焊,焊縫余高未磨平、只能單面探測。可使用斜探頭、觀察一次或二次回波,在焊縫兩側進行掃查探傷。

圖 2 ,角焊縫。綜合使用斜探頭、直探頭,多面、多次探測。
型號推薦(性能 / 功能的選擇)
使用超聲探傷,有三個目的:
定位:有沒有缺陷、大致在什么位置;
定量:缺陷的大小是否超標——缺陷的存在往往難免,關鍵在于大小是否在安全范圍內;
定性:什么性質的缺陷,氣孔、夾渣、裂紋?——這完全是根據對被測件的結構、材質熟悉,探測經驗豐富之后,自行歸納總結。
超聲波測量的工作過程:
探頭發射或接收超聲信號,引起探頭晶振片振動,該機械振動轉化為電能、表現為電壓大小的變化,儀器監測到這種電壓大小的變化,并將這種變化轉變成示波信號在屏幕上顯示。
電壓大小的變化就是儀器要所采集的數據(采樣),根據這種變化,進行計算,從而得出信號從什么位置回來的、強弱情況,由此再根據公式(或各種標準規定好的參照曲線)進一步推斷出這個信號是否屬于超標信號。
由此可見,采樣的精度是根本,它受到被測件材質 / 結構、探頭(頻率 / 結構)、儀器三大方面的影響。
被測件我們無法控制、無法選擇;探頭可以不斷更換、最終根據實際情況選擇到一個合適的匹配探頭(所以,探頭屬于易損易耗件)。
3. 產品推薦
因此,在采樣精度的三大影響因素中,唯一可控的,或者說,可事先選擇的,就是儀器。確切講,就是儀器的采樣分辨率(切記,不是采樣頻率)。據此,推薦使用安豐AF1150 超聲波探傷儀 。
再考慮到室外 / 野外的作業,可能會有強光環境,,那么在屏幕的亮度調節上,該款儀器的屏幕亮度 10 級可調,而且背景色四種搭配可調。這樣,即便在強光直射的情況下,屏幕顯示內容也清晰可辨。
鑒于板厚范圍不大、且不算厚板,探測表面的空間有限,因此,在標配隨機帶的 2.5MHz 直探頭、 5MHzK2 斜探頭之外,建議,加配 5MHzK1 斜探頭、 5MHz 直探頭各一。如需再加配探頭,將來可視情況而定(探頭即插即用)。
關于儀器性能指標的驗證,通常送由第三方(各計量機構)按國家頒行的相關檢定規程(或校準規范)進行檢定或校準,日常工作中,為了自行儀器與探頭的匹配效果進行調較、校驗,建議選購以下三種試塊: CSK-1B (較探頭零位、角度、前沿)、 RB-1 (用于調校匹配性和制作參考曲線,適用于 8 ~ 25mm 板厚)、 DB-P ( Z1-2 )(用于調校匹配性)。其它試塊,可在將來的實踐中另行選購。
相關資訊
同類文章排行
- 安豐儀器專業定制各種型號的爬波探頭
- 安豐進口:Sonic1200M輕型數字超聲波探傷儀
- 美國進口泛美Panametrics-NDT EPOCH XT超聲波探傷儀
- 安豐儀器:接觸式超聲波探頭
- 安豐儀器生產的超聲波探頭匯總
- 安豐AF-2200全數字智能超聲波探傷儀
- 安豐AFS-3鋼絲繩無損探傷儀
- 機頭無線旋轉式超聲波自動化探傷系統
- 鋼管渦流自動化在線探傷系統–安豐自主研發
- 奧林巴斯EPOCH1000系列數字式超聲波探傷儀
最新資訊文章
- 無損檢測在民用航空維修中的應用
- 超聲波技術,開啟3D打印纖維增強復合材料的新時代
- 檢驗檢測將首次納入國家戰略性新興產業重點產品和服務指導目錄
- “健康果”甲醛濃度檢測儀一秒就能測出甲醛濃度
- 工信部新批425項標準 110項與儀器分析相關
- 全國無損檢測學會制定《中國無損檢測2025發展路線圖》
- 無損檢測標準宣貫會將于10月30日在上海舉行
- 荷蘭MPR推出移動式超聲波螺旋槳缺陷檢測系統
- 超聲波檢測中缺陷大小的定量方法
- 壓力容器薄板焊縫超聲波探傷探頭的選擇
聯系我們
南通安豐儀器有限公司
手機:13806297809
電話:0513-81555150
傳真:0513-81555150
網址:www.shoubiji.cn
郵箱:sujhua@163.com
地址:南通市越江路23號